网站导航
网站首页
Home
关于我们
About Us
产品中心
Products
新闻资讯
News
荣誉资质
Honor
联系我们
Contact Us
产品展示
当前位置:
主页
>
产品展示
>
高压开关柜类
> KYN61-40.5铠装移开式交流金属封闭开关柜
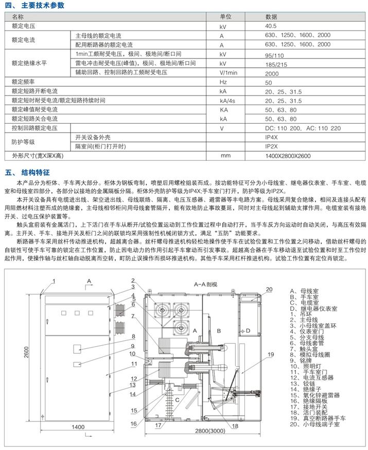
KYN61-40.5铠装移开式交流金属封闭开关柜
型号:
产品时间:2020-04-09 14:36:41
服务电话
:0577-61519166
详细介绍
上一篇:
KYN28-12铠装移开式交流金属封闭开关柜2
下一篇:
XGN2-12箱型固定交流金属封闭开关柜
友情链接:
Copyright © 浙江上盟电气科技有限公司 版权所有 All Rights Reserved